首頁 ? 常見問題
在電源設計領域,同步整流技術因其高效率和低功耗特性而受到青睞。FT8440A-RT作為一款高性能的非隔離Buck功率變換器,其是否支持同步整流以及如何實現,是許多工程師關心的問題。本文將探討FT8440A-RT的同步整流能力及其實現方法。

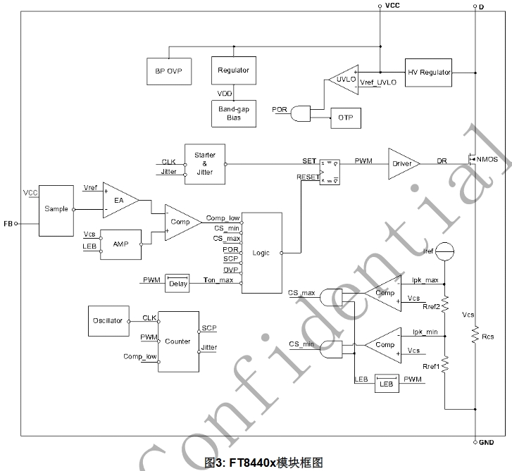
FT8440A-RT是一款集成了電流模PWM控制器和高壓功率開關管的非隔離Buck功率變換器。它采用了極高壓技術,內置高壓啟動電路、高壓功率MOSFET開關以及電流采樣電阻,減少了外圍元器件,簡化了系統應用。

同步整流是一種通過使用MOSFET代替傳統二極管進行整流的技術,以降低整流過程中的導通損耗,提高電源效率。在Buck轉換器中,同步整流可以顯著降低輸出電壓紋波和提高系統的整體性能。
根據深圳三佛科技提供的資料,FT8440A-RT本身是一款非隔離Buck變換器,其設計主要針對降壓型應用。然而,考慮到其集成了高壓功率MOSFET開關,理論上可以通過外部電路設計實現同步整流功能。
選擇合適的同步整流MOSFET:選擇與主開關MOSFET相匹配的同步整流MOSFET,確保其具有足夠的耐壓和電流能力。
設計驅動電路:為同步整流MOSFET設計合適的驅動電路,確保其能夠在正確的時刻導通和關斷。
優化控制策略:通過調整PWM控制器的控制策略,實現與同步整流MOSFET的協同工作,提高系統效率。
考慮EMI性能:在設計同步整流電路時,應考慮電磁干擾(EMI)問題,采取適當的措施來降低EMI。
熱管理:同步整流MOSFET在工作過程中會產生熱量,需要通過合適的散熱設計來管理熱量,保證系統的穩定性。
雖然FT8440A-RT作為一款非隔離Buck變換器,其數據手冊中并未明確指出支持同步整流,但通過巧妙的電路設計和控制策略調整,仍有可能實現同步整流功能。這需要工程師根據具體應用需求,進行詳細的電路設計和測試驗證。在設計過程中,應充分考慮同步整流MOSFET的選擇、驅動電路設計、控制策略優化以及EMI和熱管理等因素,以實現高效、穩定的電源轉換。